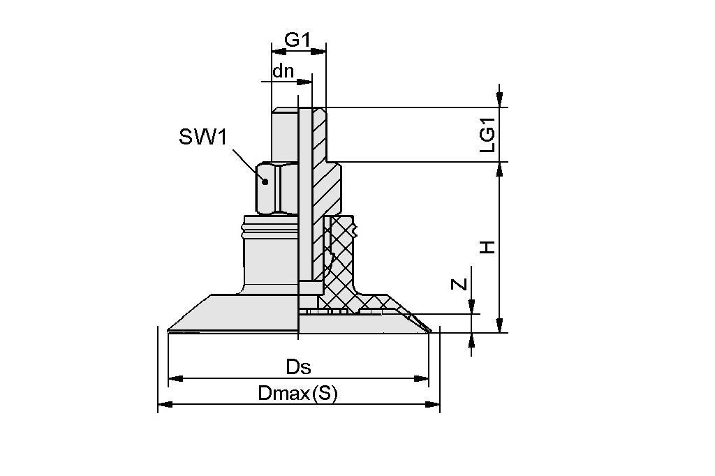
SA-NIP N016 G1/8-AG DN35010.01.06.05735Suction cup connection nipple
| Nipple family | N 016 |
| Thread G1 | G1/8"-M |
| Length L1 | 20 (mm) |
| Fitting length | 6 (mm) |
| Nominal diameter dn | 3.5 (mm) |
| Material | Aluminum |


