Schmalz

Ordering information

Suction cup SUF (elastomer part + connector) is delivered assembled.

Available spare parts: suction cup SUF, connector SC

Please try again later or contact your local contact person.

SUF 6 NBR-55 M5-AG

Part no.: 10.01.01.14219

Flat suction cup (round) for process safe handling of smooth or slightly rough surfaces

Size6
Suction cup materialNitrile rubber NBR
Material hardness [Shore A]55 (Shore A)
Product familySUF
Product information
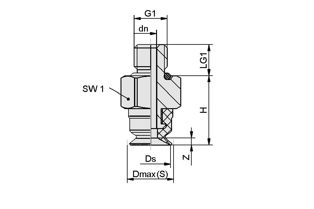
Design Data
Design image
Attribute Value
Dmax(S) 6.8  mm
Ds 6  mm
dn 1.8  mm
G1 M5-M
H 10.5  mm
LG1 4.7  mm
SW1 8  mm
Z (Stroke) 0.6  mm
Technical Data
Attribute Value
Suction force (-600mbar) 1.4  N
Pull-off force 1.4  N
Volume 0.02  cm³
Workpiece radius min. (convex) 8  mm
Hose inner diameter (recom.) d 2  mm
Size 6
Suction cup material Nitrile rubber NBR
Material hardness [Shore A] 55  Shore A
Weight 1  g
Product family SUF
Number of folds 0
Note: Suction force: The suction force values are theoretical values at -0.6 bar vacuum and a dry, smooth and even workpiece surface – they are specified without safety factors. Hose inner diameter: The recommended hose diameter refers to a hose length of approx. 2 m
Documentation

Spare parts

Schmalz Companies

Select your Schmalz Company in one of the following regions:

Regions

Your region is not listed?

Schmalz maintains an international sales network with sales partners in over 80 countries. Please select a language for our international website.

The URL you are trying to access is not in the correct language or country context.

The store channel associated with your account does not match the channel of the requested URL. To view prices or place an order, please switch to your user-specific channel.

0 products successfully added to cart

Go to shopping cart